PRETRANS®EDR 8020 高性能 防腐耐压型 智能雷达物位计
  • PRETRANS®EDR 8020 高性能 防腐耐压型 智能雷达物位计

PRETRANS®EDR 8020 高性能 防腐耐压型 智能雷达物位计

PRETRANS®EDR 8020系列雷达物位计是一种领先的非接触式测量技术,用于监测液体和固体的物位。变送器采用过程智能软件将物料回波与虚假回波分开,从而将物料回波,障碍物回波与电信号隔离。严酷的工艺环境对于这些测量装置来说根本不是问题,从而为生产中提供稳定可靠的测量数据。
产品详情您现在的位置:网站首页 >产品中心 > 产品详情
  • 产品概述

    测量介质:腐蚀性液体,少许结晶液体,卫生标准测量等

    测量范围:0.1m~35m

    过程温度:-40~+200℃

    过程压力:-0.1~2.5MPa

    盲区范围:2mm

    精度:±1mm

    防护等级:IP67

    电源:15~24V DC/220DC(一般用途)15~24V DC(本安防爆)

    外壳:地铜铝压铸件+聚氨酯涂装/不锈钢/塑料

    信号输出:4~20mA+HART协议/RS485串口信号


  • 技术参数

    8020技术参数.jpg

  • 电器连接图

    image.png

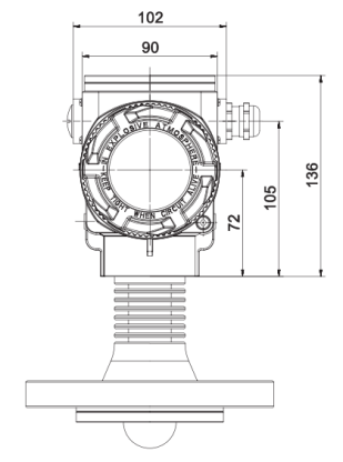
  • 外形尺寸图

    image.pngimage.png

产品询价

产品:
数量:
姓名:
公司:
联系:
电话:
传 真:
邮箱:
验证码:

售前咨询
技术服务
服务热线
010-67808168
客服电话
18600237668